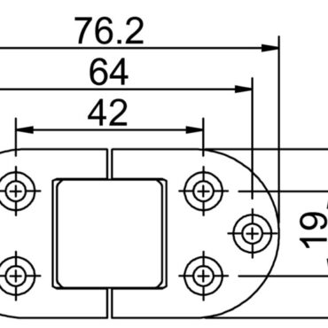
cerniera 76×38 mm